560-HASS-300
Nouveau produit
34,45 € HT
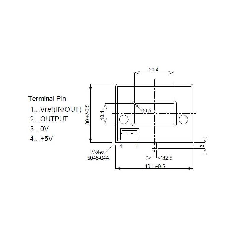
Capteur de courant LEM HASS 300-S +5V
Ce produit n'est plus en stock
Date de disponibilité:

Capteur LEM HASS 300-S +5V
Capteur de courant LEM HASS 300-S +5V
Destinataire :
* Champs requis
OU Annuler
Aucun avis n'a été publié pour le moment.
Documentation des capteurs de courant LEM série HASS 50-600 S
Télécharger (1012.89k)